CRBT Crossed Roller Bearing are extremely compact bearings having cylindrical rollers disposed perpendicularly between inner and outer rings.A single bearing can take complicated loads such as radial, axial and moment loads.By using cylindrical rollers whose elastic displacement due to load is smaller than steel balls, this type of crossed roller bearing can make the device compact and highly rigid.

Features:
1.Advanced equipment and measuring instruments
2.Skilled production assembler
3. Good contour tolerance and runout accuracy.
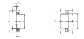
Table 1 CRBT bearing and dimensions
| 轴径 mm | 公称型号 | 主要尺寸 (mm) | 相关安装 mm | 基本额定 动负荷C | 基本额定 静负荷 C0 | 质量 (参考) g | ||||
| Shaft dia. mm | Identification number | Boundary dimensions (mm) | Mounting dimensions (mm) | Basic dynamic load rating C | Basic static load rating C0 | Mass (Ref.) g | ||||
| d | D | B | rmin | da | Da | N | N | |||
| 20 | CRBT205A | 20 | 31 | 5 | 0.15 | 22.5 | 27 | 1400 | 1290 | 14.8 |
| 30 | CRBT305A | 30 | 41 | 5 | 0.15 | 32.5 | 37 | 1770 | 1970 | 20.7 |
| 40 | CRBT405A | 40 | 51 | 5 | 0.15 | 42.5 | 47 | 2200 | 2520 | 26.5 |
| 50 | CRBT505A | 50 | 61 | 5 | 0.15 | 52.5 | 57 | 2280 | 3200 | 32.3 |
| 60 | CRBT605A | 60 | 71 | 5 | 0.15 | 62.5 | 67 | 2.63 | 4.09 | 38 |
| 70 | CRBT705A | 70 | 81 | 5 | 0.15 | 72.5 | 77 | 2.81 | 4.68 | 44 |
| 80 | CRBT805A | 80 | 91 | 5 | 0.15 | 82.5 | 87 | 3.05 | 5.43 | 50 |
Application
These bearings are widely used in the rotating parts of industrial robots, optical apparatus and medical equipments, etc., which contribute compactness and lightness.
For specific requirements, please contact us no hesitation.



