As the key part of harmonic reducer,CSF(G) series bearing separate inner ring and integral outer ring,It doesn’t need flange or housing when it is mounted.It can be directly connected with rotary parts of mahcine.CSF(G) series are well used for all types of CSF(G) harmonic reducer.

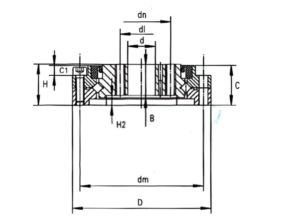
| Bearing type | D | d | C | H | B | dm | dm | dn | dn | dl | dl | weight |
| CSF(G)-14 | 55 | 11 | 16 | 16.5 | 13.5 | 49 | 8-φ3.5 | 23 | 6-M4 | 17 | 6-M4 | 0.35 |
| CSF(G)-17 | 62 | 10 | 16 | 16.5 | 13.5 | 56 | 10-φ3.5 | 27 | 6-M5 | 19 | 6-M5 | 0.4 |
| CSF(G)-20 | 70 | 14 | 16 | 16.5 | 13.5 | 64 | 12-φ3.5 | 32 | 8-M6 | 24 | 8-M5 | 0.5 |
| CSF(G)-25 | 85 | 20 | 18 | 18.5 | 16.5 | 79 | 16-φ3.5 | 42 | 8-M8 | 30 | 8-M6 | 0.72 |
| CSF(G)-32 | 112 | 26 | 21.5 | 22.5 | 19 | 104 | 16-φ4.5 | 55 | 8-M10 | 40 | 8-M8 | 1.74 |
| CSF(G)-40 | 126 | 24/32 | 22.5 | 24 | 21.5 | 117 | 20-φ5 | 68 | 8-M10 | 50 | 8-M10 | 2.32 |
| CSF(G)-50 | 157 | 32/40 | 30 | 31 | 28 | 147 | 16-φ5.5 | 84 | 8-M14 | 60 | 8-M14 | 4.64 |
| CSF(G)-65 | 210 | 44/52 | 37 | 39 | 35 | 198 | 20-φ6.5 | 110 | 8-M16 | 80 | 8-M16 | 9.85 |
Our products



Note:For other types,please contact us directly.